Drážkované náboje s prírubou - DIN ISO 14 vyrobené z červenej mosadze


Material: Red brass Rg7 (CuSn7Zn4Pb7-C).
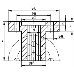
Ready-to-install, with 4 mounting holes, match with clamp collars for splie hubs. F/d and C/d = 0.05mm.
SKU | Profile Type [mm] | ØA DIN ISO 2768 m [mm] | ØB DIN ISO 2768 m [mm] | ØB1 DIN 74 m [mm] | Ø C H7 [mm] | Ø F h8 [mm] | Ø d H7 [mm] | E DIN ISO 2768 [mm] | h DIN ISO 2768 [mm] | L DIN ISO 2768 [mm] | Weight [kg] |
---|---|---|---|---|---|---|---|---|---|---|---|
64855200 | KN 11 x 14 | 42 | 28 | 4,5 | 20 | 20 | 11 | 8 | 3 | 35 | 0,12 |
64855400 | KN 13 x 16 | 50 | 36 | 4,5 | 22 | 25 | 13 | 8 | 3 | 40 | 0,22 |
64855500 | KN 16 x 20 | 52 | 38 | 5,5 | 25 | 28 | 16 | 10 | 3 | 40 | 0,26 |
64855100 | KN 18 x 22 | 54 | 40 | 5,5 | 30 | 30 | 18 | 10 | 3,5 | 45 | 0,3 |
64855600 | KN 21 x 25 | 62 | 48 | 6,6 | 35 | 34 | 21 | 10 | 3,5 | 50 | 0,38 |
64855300 | KN 23 x 28 | 64 | 50 | 6,6 | 36 | 36 | 23 | 10 | 3,5 | 55 | 0,47 |
64855700 | KN 26 x 32 | 70 | 56 | 6,6 | 40 | 42 | 26 | 10 | 3,5 | 60 | 0,58 |
64855900 | KN 28 x 34 | 78 | 60 | 9 | 46 | 45 | 28 | 12 | 3,5 | 60 | 0,74 |
64855800 | KN 32 x 38 | 82 | 65 | 9 | 50 | 50 | 32 | 12 | 3,5 | 60 | 0,84 |
64856200 | KN 36 x 42 | 90 | 70 | 9 | 52 | 52 | 36 | 16 | 4 | 80 | 1,07 |
64856000 | KN 42 x 48 | 95 | 75 | 11 | 60 | 60 | 42 | 16 | 4 | 80 | 1,38 |
64856400 | KN 46 x 54 | 100 | 80 | 11 | 65 | 65 | 46 | 16 | 4 | 100 | 1,7 |