3/2 adaptérové ventily pre pohony Klöckner Möller


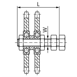
Material: Sprockets from stainless steel 1.4301 (AISI 304).
Bearings from stainless roller bearing steel. Screw and nuts from stainless steel.
The sprockets can be moved on the screw and thus be aligned with the chain. They are locked in the desired position by the nuts. The permanently lubricated 2Z bearings enable a light running. Accurate-to-size spacers guarantee perfect meshing of teeth and sprocket. Temperature range: -20º to +120ºC.
SKU | DIN / ISO-Nr. | Pitch [in.] | suitable for Clamping Element [Size] | No. of Teeth | Pitch Circle Ø [mm] | W [mm] | L [mm] | Weight [kg] |
---|---|---|---|---|---|---|---|---|
140995012 | 06 B-2 | 3/8 x 7/32" | 1 und 2 | 15 | 45,81 | M10 | 55 | 0,15 |
140995052 | 08 B-2 | 1/2 x 5/16" | 1 und 2 | 15 | 61,08 | M10 | 70 | 0,40 |
140995062 | 10 B-2 | 5/8 x 3/8" | 3 | 15 | 76,36 | M12 | 80 | 0,60 |
140995072 | 12 B-2 | 3/4 x 7/16" | 3 | 15 | 91,63 | M12 | 80 | 1,00 |
140995082 | 16 B-2 | 1" x 17,02mm | 4 | 13 | 106,14 | M20 | 120 | 1,90 |