Ozubené kolesá KRR z nehrdzavejúcej ocele, rozstup 1 1/4 x 3/4", ISO 20 B-1


Material: Stainless steel 1.4301 (AISI 304).
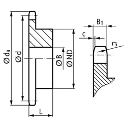
Teeth milled, pre-bored. General dimensions: B1 = 18,5 mm, c = 3,5 mm, r3 = 32 mm. Other dimensions: See the table.
Material: Stainless steel 1.4301 (AISI 304).
Teeth milled, pre-bored. General dimensions: B1 = 18,5 mm, c = 3,5 mm, r3 = 32 mm. Other dimensions: See the table.