Sprockets KRS with One-Sided Hub, Pitch 2 x 1 1/4", ISO 32 B-1


Material: Steel C45, not hardened. Sprockets marked with 1) are made from steel St52 with welded hub.
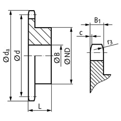
Pre-bored.
General dimensions: B1 = 29.4 mm, c = 6 mm, r3 = 51 mm.
Other dimensions: See the table.
SKU | No. of Teeth | da [mm] | d [mm] | ND [mm] | B [mm] | L [mm] | Weight [kg] |
---|---|---|---|---|---|---|---|
11210800 | 8 | 155,6 | 132,75 | 82 | 25 | 80 | 4,6 |
11210900 | 9 | 172,0 | 148,53 | 88 | 25 | 80 | 5,7 |
11211000 | 10 | 188,3 | 164,39 | 104 | 25 | 80 | 7,5 |
11211100 | 11 | 204,6 | 180,31 | 120 | 30 | 80 | 9,4 |
11211200 | 12 | 220,8 | 196,28 | 133 | 30 | 80 | 11,5 |
11211300 | 13 | 237,1 | 212,27 | 145 | 30 | 80 | 13,6 |
11211400 | 14 | 253,3 | 228,29 | 160 | 30 | 80 | 16,3 |
11211500 | 15 | 269,6 | 244,33 | 160 | 30 | 80 | 17,6 |
11211600 | 16 | 285,8 | 260,39 | 160 | 30 | 90 | 20,5 |
11211700 | 17 | 302,0 | 276,46 | 170 | 30 | 90 | 23,3 |
11211800 | 18 | 318,2 | 292,55 | 170 | 30 | 90 | 24,9 |
11211900 | 19 | 334,4 | 308,64 | 170 | 30 | 90 | 26,6 |
11212000 | 20 | 350,6 | 324,74 | 180 | 30 | 90 | 29,7 |
11212100 | 21 | 366,8 | 340,84 | 180 | 30 | 90 | 31,6 |
11212200 | 22 | 383,0 | 356,96 | 180 | 30 | 90 | 33,6 |
11212300 | 23 | 399,2 | 373,07 | 180 | 30 | 90 | 35,7 |
11212400 | 24 | 415,4 | 389,19 | 180 | 30 | 90 | 37,9 |
11212500 | 25 | 431,6 | 405,32 | 180 | 30 | 90 | 40,2 |
11212600 | 26 | 447,8 | 421,45 | 180 | 30 | 90 | 42,6 |
11212800 | 28 | 480,2 | 453,72 | 180 | 30 | 90 | 47,6 |
11213000 | 30 | 512,6 | 485,99 | 180 | 30 | 90 | 53,0 |
11213200 | 32 | 544,9 | 518,28 | 180 | 30 | 90 | 58,8 |
11213500 | 35 | 593,5 | 566,72 | 180 | 30 | 90 | 68,2 |
11214000 | 40 | 674,4 | 647,47 | 180 | 30 | 90 | 85,7 |