Čelné ozubené kolesá, POM, frézované, Modul 1,25


Material: POM, white / nature, milled teeth. Tooth quality 10d25 DIN 3967. Pressure angle 20°. Untoleranced dimensions in accordance with DIN ISO 2768 middle. Temperature limit: continuous 100°C, only short time 160°C. Water absorption (satiable) 0,5% Cws.
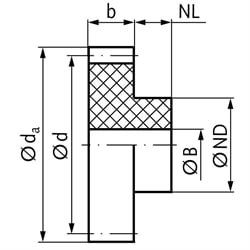
SKU | No. of Teeth | b [mm] | da [mm] | d [mm] | NL [mm] | ND [mm] | BJS10 [mm] | Admissible MD [Nm] | Weight [g] |
---|---|---|---|---|---|---|---|---|---|
29401000 | 10 | 10 | 15,00 | 12,50 | 8 | 10 | 5 | 0,14 | 2,1 |
29401200 | 12 | 10 | 17,50 | 15,00 | 10 | 10 | 5 | 0,19 | 3,0 |
29401400 | 14 | 10 | 20,00 | 17,50 | 10 | 12 | 5 | 0,25 | 4,3 |
29401500 | 15 | 10 | 21,25 | 18,75 | 10 | 15 | 8 | 0,28 | 4,7 |
29401800 | 18 | 10 | 25,00 | 22,50 | 10 | 15 | 8 | 0,41 | 6,4 |
29402000 | 20 | 10 | 27,50 | 25,00 | 10 | 15 | 8 | 0,52 | 7,8 |
29402400 | 24 | 10 | 32,50 | 30,00 | 10 | 20 | 8 | 0,73 | 12,7 |
29402500 | 25 | 10 | 33,75 | 31,25 | 10 | 20 | 8 | 0,81 | 13,3 |
29403000 | 30 | 10 | 40,00 | 37,50 | 10 | 20 | 8 | 1,25 | 18,4 |
29403200 | 32 | 10 | 42,50 | 40,00 | 10 | 20 | 8 | 1,45 | 20,4 |
29403500 | 35 | 10 | 46,25 | 43,75 | 10 | 20 | 8 | 1,79 | 23,8 |
29403600 | 36 | 10 | 47,50 | 45,00 | 10 | 20 | 8 | 1,92 | 24,9 |
29403800 | 38 | 10 | 50,00 | 47,50 | 10 | 20 | 8 | 2,18 | 27,7 |
29404000 | 40 | 10 | 52,50 | 50,00 | 10 | 20 | 8 | 2,46 | 30,2 |
29405000 | 50 | 10 | 65,00 | 62,50 | 10 | 20 | 8 | 3,83 | 45,6 |