Otočné koleno s valcovým závitom


Material: Body: Plastic PBT. Thread: Brass, nickle-plated.
• Operating pressure: max. 10 bar.
• Vacuum: max. -1 bar.
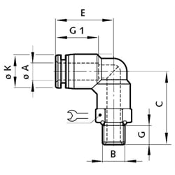
SKU | Ø A [mm] | B | C [mm] | E [mm] | G [mm] | G1 [mm] | Ø K [mm] | Z [mm] | Weight [g] |
---|---|---|---|---|---|---|---|---|---|
86650414 | 4 | G1/4 | 24,5 | 18,5 | 8 | 17 | 9,5 | 17 | 18 |
86650418 | 4 | G1/8 | 22,5 | 18,5 | 6 | 17 | 9,5 | 14 | 14,3 |
86650614 | 6 | G1/4 | 26,5 | 20,5 | 8 | 17,5 | 12 | 17 | 21,3 |
86650618 | 6 | G1/8 | 24,5 | 20,5 | 6 | 17,5 | 12 | 14 | 17 |
86650814 | 8 | G1/4 | 28 | 23 | 8 | 18,5 | 14 | 21 | 25,2 |
86650818 | 8 | G1/8 | 26 | 23 | 8 | 18,5 | 14 | 14 | 17 |