Otočné koleno s kužeľovým závitom


Material: Body: Plastic PBT. Thread: Brass, nickle-plated.
• Operating pressure: max. 10 bar.
• Vacuum: max. -1 bar.
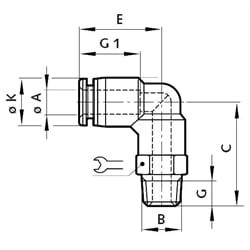
SKU | Ø A [mm] | B | C [mm] | E [mm] | G [mm] | G1 [mm] | Ø K [mm] | Z [mm] | Weight [g] |
---|---|---|---|---|---|---|---|---|---|
86640414 | 4 | R1/4 | 26,5 | 18,5 | 10 | 17 | 9,5 | 14 | 16,9 |
86640418 | 4 | R1/8 | 24,5 | 18,5 | 8 | 17 | 9,5 | 10 | 11 |
86640614 | 6 | R1/4 | 29,5 | 20,5 | 10 | 17,5 | 12 | 14 | 20,4 |
86640618 | 6 | R1/8 | 26,5 | 20,5 | 8 | 17,5 | 12 | 12 | 17 |
86640814 | 8 | R1/4 | 31 | 23 | 10 | 18,5 | 14 | 14 | 21 |
86640818 | 8 | R1/8 | 28 | 23 | 8 | 18,5 | 14 | 14 | 19 |