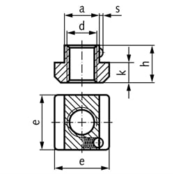
T-matice DIN 508 pre T-drážky DIN 650 / ISO 299, s guľou


Material: Tempered steel, tensile strength 10, black.
T-slot nuts according to the old standard DIN 508, but with spring-loaded ball against unintended moving. The loose nut will be held, even in vertical position.
Suitable for T-slots DIN 650 / ISO 299.