Tandemové lineárne ložiská KBT-ST-FL s okrúhlou prírubou, dlhé prevedenie


Material: With Steel jacket. Ball cage from plastic.
The linear ball bearings are suitable for screwing onto components. Via the four mounting holes, the linear bearings can be mounted directly e. g. in machines.This ensures easy mounting and interchangeability.
The bearings are greased at the factory. In order to prevent the ingress of dirt and the leakage of lubricant, the linear ball bearings are sealed on both sides.
Recommended shaft tolerance h6, housing tolerance H7.
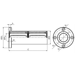
SKU | Fw [mm] | D [mm] | D1 [mm] | D3 [mm] | C+/-0,3 [mm] | H [mm] | d1 x d2 x h [mm] | Tragz. dyn C [N] | Tragz. stat Co [N] | Gewicht [g] |
---|---|---|---|---|---|---|---|---|---|---|
64600606FL | 6 | 12 | 28 | 20 | 35 | 5 | 3,5 x 6 x 3,1 | 323 | 530 | 30 |
64600806FL | 8 | 16 | 32 | 24 | 46 | 5 | 3,5 x 6 x 3,1 | 421 | 804 | 60 |
64601206FL | 12 | 22 | 42 | 32 | 61 | 6 | 4,5 x 7,5 x 4,1 | 813 | 1570 | 110 |
64601606FL | 16 | 26 | 46 | 36 | 68 | 6 | 4,5 x 7,5 x 4,1 | 921 | 1780 | 160 |
64602006FL | 20 | 32 | 54 | 43 | 80 | 8 | 5,5 x 9 x 5,1 | 1370 | 2740 | 260 |
64602506FL | 25 | 40 | 62 | 51 | 112 | 8 | 5,5 x 9 x 5,1 | 1570 | 3140 | 540 |
64603006FL | 30 | 47 | 76 | 62 | 123 | 10 | 6,6 x 11 x 6,1 | 2500 | 5490 | 820 |
64604006FL | 40 | 62 | 98 | 80 | 151 | 13 | 9 x 14 x 8,1 | 3430 | 8040 | 1810 |
64605006FL | 50 | 75 | 112 | 94 | 192 | 13 | 9 x 14 x 8,1 | 6080 | 15900 | 2820 |
64606006FL | 60 | 90 | 134 | 112 | 209 | 18 | 11 x 17 x 11,1 | 7550 | 20000 | 4920 |