Napínacie prvky v štandardnom prevedení


Material: Housing up to Ø 78 mm made of sintered steel, over Ø 78 mm made of grey cast iron GG20, lever made of St52.
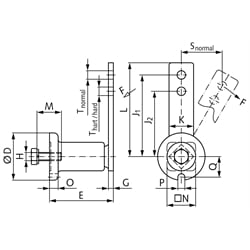
These tensioning elements can be used for tensioning all common kinds of chain and belt drives. The elastomeric inserts are based on highly-elastic natural rubber with a good shape memory and are designed for applications in temperatures from -40° to +80°C. The tensioning elements are painted blue and supplied with a zinc-plated screw and spring washer. Can be used for both tensioning directions.
SKU | Size | F max. at normal [N] | F max. at hard [N] | s max. at normal [mm] | s max. at hard [mm] | D [mm] | E [mm] | G [mm] | H [mm] | J1 [mm] | J2 [mm] | K [mm] | L [mm] | M [mm] | N [mm] | O [mm] | P [mm] | Q [mm] | T [mm] | MA [Nm] | Weight [kg] |
---|---|---|---|---|---|---|---|---|---|---|---|---|---|---|---|---|---|---|---|---|---|
14080000 | 0 | 96 | 128 | 40 | 30 | 35 | 51+1-0,5 | 5 | M6 | 80 | 60 | 20 | 90,0 | 20 | 22 | 6 | 8,0 | 16,5 | 8,5 | 10 | 0,18 |
14080100 | 1 | 135 | 170 | 50 | 40 | 45 | 64+1-0,5 | 5 | M8 | 100 | 80 | 25 | 112,5 | 25 | 30 | 8 | 8,5 | 20,8 | 10,5 | 25 | 0,37 |
14080200 | 2 | 350 | 440 | 50 | 40 | 58 | 79+1,5-0,5 | 7 | M10 | 100 | 80 | 30 | 115,0 | 30 | 35 | 10,5 | 8,5 | 25,3 | 10,5 | 49 | 0,66 |
14080212 | 2 | 350 | 440 | 50 | 40 | 58 | 79+1,5-0,5 | 7 | M10 | 100 | 80 | 30 | 115,0 | 30 | 35 | 10,5 | 8,5 | 25,3 | 12,5 | 49 | 0,65 |
14080216 | 2 | 350 | 440 | 50 | 40 | 58 | 79+1,5-0,5 | 7 | M10 | 100 | 80 | 30 | 115,0 | 30 | 35 | 10,5 | 8,5 | 25,3 | 16,5 | 49 | 0,64 |
14080300 | 3 | 810 | 1050 | 65 | 50 | 78 | 108+2-0,5 | 8 | M12 | 130 | 100 | 50 | 155,0 | 40 | 52 | 15 | 10,5 | 34,3 | 12,5 | 86 | 1,81 |
14080400 | 4 | 1500 | 1875 | 87,5 | 70 | 95 | 140+2-0,5 | 10 | M16 | 175 | 140 | 60 | 205,0 | 40 | 66 | 17 | 12,5 | 42,0 | 20,5 | 210 | 3,55 |