Napínacie kladky / napínacie kladky TS pre remeňové pohony
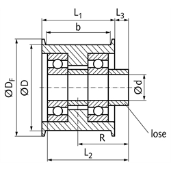
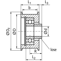
Material: Aluminium similar to EN AW2017A, one-piece, with turned flanges. Distance bushes and ball bearings DIN 625 from steel.
Mounted on a suitable tensioning element, the tensioning roller becomes a ready-to-mount belt tensioner or, on its own, it can be used as an idler. It runs on permanently lubricated 2Z ball bearings.
One loose, zinc-plated distance bush is included in the delivery (in the drawing on the right side). Support, screw set and tensioning element have to be ordered separately.
| SKU | Bezeichnung | D [mm] | b [mm] | d [mm] | DF [mm] | L1 [mm] | L2 [mm] | L3 [mm] | R [mm] | Kugellager | Gewicht [g] | Artikelzusätzliche Buchse | d B x DB x LB [mm] |
|---|---|---|---|---|---|---|---|---|---|---|---|---|---|
| 14088201 | TS 20-8 | 20 | 8 | 5 | 25 | 11 | 10 | 2 | 7,5 | 1 x 625-2Z | 2,3 | 14080505 | 5x10x5 |
| 14088202 | TS 20-13 | 20 | 13 | 5 | 25 | 16 | 20 | 4,5 | 12,5 | 2 x 625-2Z | 2,3 | 14080505 | 5x10x5 |
| 14088301 | TS 30-13 | 30 | 13 | 8 | 35 | 16 | 14 | 2,5 | 10,5 | 1 x 608-2Z | 4,5 | 14080807 | 8x13x7 |
| 14088302 | TS 30-19 | 30 | 19 | 8 | 35 | 22 | 28 | 6,5 | 17,5 | 2 x 608-2Z | 4,5 | 14080807 | 8x13x7 |
| 14088303 | TS 30-28 | 30 | 28 | 8 | 35 | 32 | 28 | 1,5 | 17,5 | 2 x 608-2Z | 4,5 | 14080807 | 8x13x7 |
| 14088401 | TS 40-14 | 40 | 14 | 10 | 45 | 17 | 18 | 5 | 13,5 | 1 x 6200-2Z | 10,5 | 14081009 | 10x17x9 |
| 14088402 | TS 40-23 | 40 | 23 | 10 | 45 | 27 | 36 | 9 | 22,5 | 2 x 6200-2Z | 10,5 | 14081009 | 10x17x9 |
| 14088403 | TS 40-28 | 40 | 28 | 10 | 45 | 32 | 36 | 6,5 | 22,5 | 2 x 6200-2Z | 10,5 | 14081009 | 10x17x9 |
| 14088404 | TS 40-38 | 40 | 38 | 10 | 45 | 42 | 36 | 1,5 | 22,5 | 2 x 6200-2Z | 10,5 | 14081009 | 10x17x9 |
| 14088601 | TS 60-19 | 60 | 19 | 12 | 68 | 23 | 24 | 6,5 | 18 | 1 x 6301-2Z | 18,9 | 14081212 | 12x20x12 |
| 14088602 | TS 60-31 | 60 | 31 | 12 | 68 | 36 | 48 | 12 | 30 | 2 x 6301-2Z | 18,9 | 14081212 | 12x20x12 |
| 14088603 | TS 60-38 | 60 | 38 | 12 | 68 | 43 | 48 | 8,5 | 30 | 2 x 6301-2Z | 18,9 | 14081212 | 12x20x12 |
| 14088604 | TS 60-54 | 60 | 54 | 12 | 68 | 60 | 60 | 6 | 36 | 2 x 6301-2Z | 18,9 | 14081212 | 12x20x12 |
| 14088801 | TS 80-28 | 80 | 28 | 20 | 90 | 33 | 30 | 6 | 22,5 | 1 x 6304-2Z | 46,2 | 14082015 | 20x30x15 |
| 14088802 | TS 80-40 | 80 | 40 | 20 | 90 | 45 | 60 | 15 | 37,5 | 2 x 6304-2Z | 46,2 | 14082015 | 20x30x15 |
| 14088803 | TS 80-54 | 80 | 54 | 20 | 90 | 60 | 60 | 7,5 | 37,5 | 2 x 6304-2Z | 46,2 | 14082015 | 20x30x15 |
| 14088901 | TS 120-28 | 120 | 28 | 20 | 130 | 34 | 39,5 | 5,5 | 22,5 | 1 x 6304-2Z | 46,2 | 14082015 | 20x30x15 |
| 14088902 | TS 120-36 | 120 | 36 | 20 | 130 | 42 | 50 | 9 | 30 | 2 x 6304-2Z | 30,8 | 14082010 | 20x30x10 |
| 14088903 | TS 120-44 | 120 | 44 | 20 | 130 | 50 | 60 | 12,5 | 37,5 | 2 x 6304-2Z | 46,2 | 14082015 | 20x30x15 |
| 14088904 | TS 120-54 | 120 | 54 | 20 | 130 | 62 | 60 | 6,5 | 37,5 | 2 x 6304-2Z | 46,2 | 14082015 | 20x30x15 |