Termoplastické ložiskové systém s ložiskovým systémom igubal® ESTM


Material spherical ball: iglidur® W300, yellowish. Material housing: igumid® G, black.
- Maintenance-free, silent running and anti-vibrating.
- High strength at very low weight.
- Resistant against corrosion and many chemicals.
- Electrical and thermal isolating.
The spherical ball may only compensate shaft misalignement.
Temperature range: -30º to +80ºC.
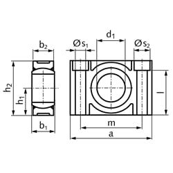
SKU | d1 E10 [mm] | h1 [mm] | h2 [mm] | b1 [mm] | b2 [mm] | a [mm] | m [mm] | S1 [mm] | S2 [mm] | l [mm] | Load rating radial pressure static [N] | Load rating radial traction static [N] | Load rating axial static [N] | Tilt angle Alpha [Degrees] | Weight [g] |
---|---|---|---|---|---|---|---|---|---|---|---|---|---|---|---|
62055108 | 8 | 9,5 | 19 | 8 | 9 | 31 | 22 | 4,5 | - | - | 2150 | 1250 | 300 | 22 | 5,0 |
62055110 | 10 | 11 | 22 | 9 | 10 | 36 | 26 | 5,5 | - | - | 2650 | 1700 | 350 | 22 | 7,1 |
62055112 | 12 | 13 | 26 | 10 | 10 | 38 | 28 | 5,5 | - | - | 3250 | 2250 | 375 | 22 | 9,0 |
62055116 | 16 | 17 | 34 | 13 | 13 | 50 | 37 | 6,6 | 10,6 | 27,6 | 4250 | 3350 | 550 | 22 | 17,5 |
62055120 | 20 | 20 | 40 | 16 | 16 | 62 | 46 | 9 | 14 | 31,4 | 5750 | 4250 | 700 | 22 | 27,4 |
62055125 | 25 | 24 | 48 | 20 | 18 | 72 | 54 | 9 | 14 | 39,4 | 9250 | 6750 | 1150 | 20 | 50,8 |
62055130 | 30 | 28 | 56 | 22 | 22 | 86 | 64 | 11 | 17 | 45,4 | 8250 | 5000 | 1250 | 20 | 79,7 |