Termoplastické ložiskové systém s ložiskovým systémom igubal® KSTM


Material spherical ball: iglidur® W300, yellowish. Material housing: igumid® G, black.
- Maintenance-free, silent running and anti-vibrating.
- High strength at very low weight.
- Resistant against corrosion and many chemicals.
- Electrical and thermal isolating.
The spherical ball may only compensate shaft misalignement.
Temperature range: -30º to +80ºC.
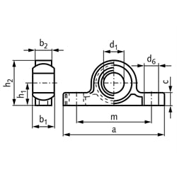
SKU | d1 E10 [mm] | h1 [mm] | h2 [mm] | b1 [mm] | b2 [mm] | a [mm] | m [mm] | c [mm] | d6 [mm] | Load ratingl radial static [N] | Load rating axial static [N] | Tilt angle alpha [Degrees] | Weight [g] |
---|---|---|---|---|---|---|---|---|---|---|---|---|---|
62055005 | 5 | 7 | 14 | 8 | 6 | 34 | 26,3 | 4,0 | 3,3 x 4,6 | 350 | 300 | 30 | 1,7 |
62055006 | 6 | 10 | 18 | 9 | 7 | 43 | 34,5 | 5,5 | 4,5 x 6,0 | 550 | 300 | 29 | 2,9 |
62055008 | 8 | 10 | 20 | 12 | 9 | 47 | 35,5 | 6,0 | 4,5 x 7,0 | 650 | 400 | 25 | 4,6 |
62055010 | 10 | 14 | 26 | 14 | 10,5 | 62 | 48,5 | 7,5 | 5,5 x 8,0 | 750 | 500 | 25 | 8,6 |
62055012 | 12 | 14 | 28 | 16 | 12 | 65 | 49,5 | 8,5 | 5,5 x 9,0 | 1100 | 600 | 25 | 11,8 |
62055016 | 16 | 18 | 36 | 21 | 15 | 86 | 65,4 | 10,5 | 6,6 x 12 | 1500 | 1000 | 23 | 23,7 |
62055020 | 20 | 22 | 44 | 25 | 18 | 98 | 73 | 13 | 9,0 x 14 | 2350 | 1300 | 23 | 40,0 |
62055025 | 25 | 27 | 54 | 31 | 22 | 124 | 94 | 16 | 9,0 x 17 | 3300 | 1600 | 22 | 75,3 |
62055030 | 30 | 32 | 64 | 37 | 25 | 139 | 105 | 17 | 11 x 20 | 4050 | 2100 | 22 | 116,8 |