Product image
Product image

Material: Bronze CuSn12-C-GC (2.1052).

Preferred installation position for compressive force: with the flange facing downwards (compressive load on the flange instead of tensile load on the screws).

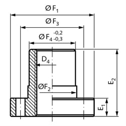
SKU Size D4 [mm] E1 [mm] E2 [mm] F1 [mm] F2h9 [mm] F3 [mm] F4 [mm] Befestigungsbohrung [mm] Gewicht [kg] Kardanadapter KARA [Art.-Nr.] Adapterkonsole KONA [Art.-Nr.]
47500016 0 TR. 16x4 10 25 45 25 35 25 6 x Ø6 0,2 64470125 64470225
47500116 1 TR. 18x4 12 44 48 28 38 28 6 x Ø6 0,3 64470128 64470228
47500216 2 TR. 20x4 12 44 55 32 45 32 6 x Ø7 0,4 64470132 64470232
47500316 3 TR. 30x6 14 46 62 38 50 38 6 x Ø7 0,7 64470138 64470238
47500416 4 TR. 40x7 16 73 95 63 78 63 6 x Ø9 2,0 64470163 64470263