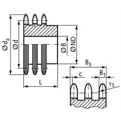
Triple-Sprockets DRS with One-Sided Hub, ISO 28 B-3


Material: Steel C45, not hardened. Pre-bored. Sprockets marked with 1) made from St52 with welded in hub.
General dimensions: B1 = 28.8 mm, B3 = 148 mm, c = 5 mm, r3 = 44 mm.
Other dimensions: See the table.
SKU | No. of Teeth | da [mm] | d [mm] | ND [mm] | B [mm] | L [mm] | Weight [kg] |
---|---|---|---|---|---|---|---|
13930800 | 8 | 133,8 | 116,15 | 74 | 30 | 180 | 8,2 |
13930900 | 9 | 148,1 | 129,96 | 88 | 30 | 180 | 11,2 |
13931000 | 10 | 162,4 | 143,84 | 100 | 30 | 180 | 14,5 |
13931100 | 11 | 176,6 | 157,77 | 112 | 30 | 180 | 18,2 |
13931200 | 12 | 190,8 | 171,74 | 125 | 30 | 180 | 22,5 |
13931300 | 13 | 205,1 | 185,74 | 130 | 30 | 180 | 26,7 |
13931400 | 14 | 219,3 | 199,76 | 130 | 30 | 180 | 31,0 |
13931500 | 15 | 233,5 | 213,79 | 145 | 30 | 180 | 36,4 |
13931600 | 16 | 247,7 | 227,84 | 160 | 30 | 180 | 42,4 |
13931700 | 17 | 261,9 | 241,91 | 160 | 30 | 180 | 47,8 |
13931800 | 18 | 276,1 | 255,98 | 160 | 30 | 180 | 53,6 |
13931900 | 19 | 290,3 | 270,06 | 180 | 30 | 180 | 61,0 |
13932000 | 20 | 304,4 | 284,14 | 180 | 30 | 180 | 67,5 |
13932100 | 21 | 318,6 | 298,24 | 180 | 30 | 180 | 74,5 |
13932300 | 23 | 347,0 | 326,44 | 180 | 30 | 180 | 89,3 |
13933800 | 38 | 559,4 | 538,27 | 200 | 40 | 180 | 247,6 |