USB 2.0 built-in socket, Socket A / Socket A
RRJ_USB_AA - USB 2.0 Socket A / A
The RRJ_USB_AA is a USB 2.0 socket with a socket A to socket A configuration.
This product is ideal for installation within various devices and offers reliable connectivity in a compact design.
Technical Specifications
Series: RONTRON-R-JUWEL
Category: Built-in Socket
Shape: Round
Illumination: No
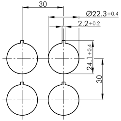
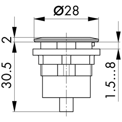
Installation opening: Ø 22.3 mm
Front frame color: Silver
| SKU | Bauform | Einbau-Ø [mm] | Anschlussart | Kabellänge [m] | Beleuchtbar | Gewicht [kg] |
|---|---|---|---|---|---|---|
| 901185-RRJ_USB_AA | rund | 22,3 | USB2.0-Buchse A / Buchse A | - | nein | 0,03 |