Klinové remenice, 1 drážka, profil XPA, SPA a A (13)


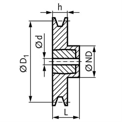
Material: Special Light Alloy with Cast-Iron core. V-Belt Pulleys with nominal diametre including 250 mm are supplied as solid pulley, from 280 mm Ø as spoked pulley. 1) can only be used with standard V-belt DIN 2215 . * without cast-iron hub reinforcement.
SKU | Nominal Ø D1 [mm] | Pilot Bore d approx. [mm] | Max. Bore [mm] | Rim Width h [mm] | ND ca. [mm] | L ca. [mm] | Weight approx. [kg] | Remark |
---|---|---|---|---|---|---|---|---|
15210200 | 50 | - | 22 | 20 | 35 | 28 | 0,10 | * 1) |
15210300 | 56 | - | 22 | 20 | 35 | 28 | 0,15 | * 1) |
15210600 | 63 | - | 25 | 20 | 40 | 28 | 0,15 | * |
15210700 | 71 | - | 25 | 20 | 40 | 28 | 0,20 | * |
15210800 | 80 | 10 | 28 | 20 | 48 | 28 | 0,40 | — |
15210900 | 90 | 10 | 28 | 20 | 48 | 28 | 0,50 | — |
15211000 | 100 | 10 | 28 | 20 | 48 | 28 | 0,50 | — |
15211100 | 112 | 10 | 28 | 20 | 48 | 28 | 0,50 | — |
15211200 | 125 | 10 | 35 | 20 | 60 | 32 | 0,70 | — |
15211400 | 140 | 10 | 35 | 20 | 60 | 32 | 0,80 | — |
15211600 | 160 | 12 | 35 | 20 | 60 | 40 | 1,00 | — |
15211800 | 180 | 12 | 40 | 20 | 65 | 40 | 1,30 | — |
15212000 | 200 | 12 | 40 | 20 | 65 | 40 | 1,40 | — |
15212200 | 224 | 12 | 40 | 20 | 65 | 40 | 1,50 | — |
15212500 | 250 | 12 | 45 | 20 | 75 | 50 | 2,20 | — |
15212800 | 280 | 12 | 45 | 20 | 75 | 50 | 2,40 | — |
15213100 | 315 | 12 | 45 | 20 | 75 | 50 | 2,80 | — |