Klinové remenice, 2 drážky, profil XPB, SPB a B (17)


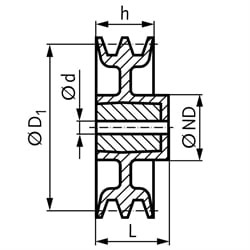
Material: Special Light Alloy with Cast-Iron core. V-Belt Pulleys with nominal diametre including 250 mm are supplied as solid pulley, from 280 mm Ø as spoked pulley. * without cast-iron hub reinforcement.
SKU | d1 [mm] | Pilot Bore d approx. [mm] | Max. Bore [mm] | Rim Width h [mm] | ND ca. [mm] | L ca. [mm] | Weight approx. [kg] | Nominal Diameter D1 [mm] |
---|---|---|---|---|---|---|---|---|
15420700 | 71 | - | 28 | 44 | 48 | 44 | 0,40 | * |
15420800 | 80 | 10 | 35 | 44 | 60 | 44 | 0,70 | — |
15420900 | 90 | 12 | 35 | 44 | 60 | 44 | 0,80 | — |
15421000 | 100 | 12 | 40 | 44 | 65 | 44 | 1,10 | — |
15421100 | 112 | 12 | 40 | 44 | 65 | 44 | 1,30 | — |
15421200 | 125 | 12 | 40 | 44 | 65 | 44 | 1,40 | — |
15421400 | 140 | 12 | 40 | 44 | 65 | 44 | 1,40 | — |
15421600 | 160 | 12 | 45 | 44 | 75 | 44 | 2,00 | — |
15421800 | 180 | 12 | 45 | 44 | 75 | 50 | 2,20 | — |
15422000 | 200 | 14 | 45 | 44 | 75 | 50 | 2,40 | — |
15422200 | 224 | 14 | 45 | 44 | 75 | 50 | 2,80 | — |
15422500 | 250 | 16 | 45 | 44 | 75 | 50 | 2,90 | — |
15422800 | 280 | 16 | 50 | 44 | 85 | 50 | 3,50 | — |
15423100 | 315 | 20 | 50 | 44 | 85 | 60 | 4,30 | — |