Napínač klinového remeňa s namontovanou klinovou remenicou


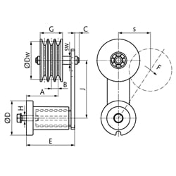
Material: Housings up to Ø 78 mm made of sintered steel, over Ø 78 mm made of grey cast iron GG20, lever St52, V-belt pulley cast steel. Matching narrow V-belts DIN 2215 und DIN 7753.Pulley with sealed ball bearings, permanently lubricated. Measur A of the pulley can be adjusted by distance-washers on the axis, which is screwd onto the tensioner. Can be used for both tensioning directions.
SKU | Profile | Rillenzahl | DW [mm] | Spannelement [Größe] | Fmax [N] | Drehzahl max [min-1] | smax [mm] | A [mm] | B [mm] | C [mm] | Ø D [mm] | E [mm] | G [mm] | H [mm] | J [mm] | sw [mm] | Gewicht [kg] |
---|---|---|---|---|---|---|---|---|---|---|---|---|---|---|---|---|---|
14085101 | XPZ, SPZ, Z (10) | 1 | 90 | 2 | 350 | 10000 | 50 | 20-43 | 12 | 13 | 58 | 79 | 16 | M10 | 100 | 19 | 2,0 |
14085102 | XPZ, SPZ, Z (10) | 2 | 90 | 2 | 350 | 10000 | 50 | 31-48 | 12 | 13 | 58 | 79 | 28 | M10 | 100 | 19 | 2,3 |
14085103 | XPZ, SPZ, Z (10) | 3 | 90 | 2 | 350 | 10000 | 50 | 31-37 | 12 | 13 | 58 | 79 | 40 | M10 | 100 | 19 | 2,6 |
14085111 | XPA, SPA, A (13) | 1 | 90 | 2 | 350 | 7400 | 50 | 15-36 | 15 | 19 | 58 | 79 | 20 | M10 | 100 | 27 | 2,0 |
14085112 | XPA, SPA, A (13) | 2 | 90 | 2 | 350 | 7400 | 50 | 20-42 | 15 | 19 | 58 | 79 | 35 | M10 | 100 | 27 | 2,3 |
14085201 | XPA, SPA, A (13) | 1 | 90 | 3 | 810 | 7400 | 65 | 34-64 | 15 | 19 | 78 | 108 | 20 | M12 | 130 | 27 | 3,1 |
14085202 | XPA, SPA, A (13) | 2 | 90 | 3 | 810 | 7400 | 65 | 49-70 | 15 | 19 | 78 | 108 | 35 | M12 | 130 | 27 | 3,5 |
14085203 | XPA, SPA, A (13) | 3 | 90 | 3 | 810 | 7400 | 65 | 49-70 | 15 | 19 | 78 | 108 | 50 | M12 | 130 | 27 | 3,8 |
14085204 | XPA, SPA, A (13) | 1 | 125 | 3 | 810 | 5300 | 65 | 33-63 | 15 | 19 | 78 | 108 | 20 | M12 | 130 | 27 | 3,9 |
14085205 | XPA, SPA, A (13) | 2 | 125 | 3 | 810 | 5300 | 65 | 49-70 | 15 | 19 | 78 | 108 | 35 | M12 | 130 | 27 | 4,8 |
14085401 | XPB, SPB, B (17) | 1 | 125 | 3 | 810 | 5300 | 65 | 35-65 | 19 | 19 | 78 | 108 | 25 | M12 | 130 | 27 | 4,2 |
14085402 | XPB, SPB, B (17) | 2 | 125 | 3 | 810 | 5300 | 65 | 48-69 | 19 | 19 | 78 | 108 | 44 | M12 | 130 | 27 | 5,3 |
14085403 | XPB, SPB, B (17) | 3 | 125 | 4 | 1500 | 5300 | 87,5 | 104-107 | 19 | 17 | 95 | 140 | 63 | M16 | 175 | 27 | 7,9 |
14085404 | XPB, SPB, B (17) | 3 | 140 | 4 | 1500 | 4000 | 87,5 | 104-107 | 19 | 17 | 95 | 140 | 63 | M16 | 175 | 27 | 9,2 |