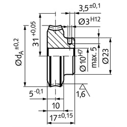
Šnekové kolesá - Osová vzdialenosť v puzdre 31 mm + 0,05


Material: Brass CuZn37Mn3Al2Si. Pressure angle 15°. The gear wheels can only be used with worms having the same centre distance and the same transmission. * Worm only polished - worm gear with helical gearing. ** The figures stated for the efficiency are only reference values, since - besides the lead angle - also mounting, lubrication, speed and assembly have an influence on the efficiency.
SKU | Transmission [i] | Module | No. of Teeth | Helix Angle [°] | d A [mm] | Max. Torque Nm at 2800 [rpm] | Weight [g] |
---|---|---|---|---|---|---|---|
32100200 | 2,5 : 1 * | 1,25 | 25 | 4515 | 46,9 | 4,4 | 132 |
32100500 | 5 : 1 | 1,3 | 30 | 23°46 | 46,5 | 9,5 | 150 |
32100700 | 7 : 1 | 1,5 | 28 | 20°32 | 48,8 | 9,7 | 128 |
32100800 | 8,33 : 1 | 1,75 | 25 | 19°49 | 51,0 | 10,0 | 150 |
32101000 | 10 : 1 | 1,4 | 30 | 12°50 | 47,0 | 9,5 | 130 |
32101200 | 12 : 1 | 1,25 | 36 | 13°55 | 50,0 | 12,1 | 150 |
32101500 | 15 : 1 | 1,5 | 30 | 10°40 | 50,0 | 10,7 | 145 |
32101800 | 18 : 1 | 1,25 | 36 | 08°44 | 48,8 | 10,3 | 145 |
32102000 | 20 : 1 | 0,75 | 60 | 07°49 | 48,0 | 8,3 | 145 |
32102200 | 22 : 1 | 1 | 44 | 06°29 | 48,0 | 9,6 | 138 |
32102300 | 23 : 1 | 2 | 23 | 07°29 | 52,0 | 10,5 | 148 |
32102400 | 24 : 1 | 1,75 | 24 | 05°04 | 47,0 | 9,2 | 125 |
32102500 | 25 : 1 | 1,75 | 25 | 05°35 | 48,5 | 9,6 | 132 |
32102800 | 28 : 1 | 1,5 | 28 | 04°20 | 46,5 | 9,1 | 125 |
32103000 | 30 : 1 | 1,5 | 30 | 05°07 | 48,8 | 10,3 | 142 |
32103800 | 38 : 1 | 1,25 | 38 | 05°01 | 51,2 | 11,4 | 158 |
32104500 | 45 : 1 | 1 | 45 | 03°23 | 48,0 | 9,5 | 142 |
32105000 | 50 : 1 | 0,9 | 50 | 03°03 | 48,0 | 9,0 | 143 |
32105500 | 55 : 1 | 0,9 | 55 | 04°12 | 52,0 | 10,4 | 172 |
32106000 | 60 : 1 | 0,75 | 60 | 02°33 | 48,0 | 8,2 | 144 |
32107000 | 70 : 1 | 0,7 | 70 | 03°07 | 52,0 | 9,0 | 170 |
32107500 | 75 : 1 | 0,6 | 75 | 02°02 | 47,0 | 7,3 | 143 |
32109000 | 90 : 1 | 0,5 | 90 | 01°41 | 48,0 | 6,4 | 143 |
32110000 | 100 : 1 | 0,5 | 100 | 02°24 | 52,7 | 7,4 | 175 |