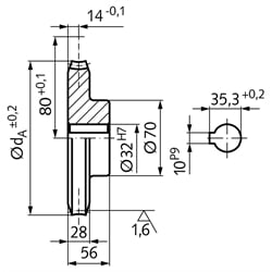
Šnekové kolesá - Osová vzdialenosť v puzdre 80 mm+ 0,1


Material: Brass CuZn37Mn3Al2Si. Pressure angle 15°. The gear wheels can only be used with worms having the same centre distance and the same transmission. Can be built into gear systems, no reworking required, thus short assembly times. * The figures stated for the efficiency are only reference values, since - besides the lead angle - also mounting, lubrication, speed and assembly have an influence on the efficiency.
SKU | Transmission [i] | Module | No. of Teeth | d A [mm] | Helix Angle [°] | Max. Torque Nm at 2800 [rpm] | Weight [g] |
---|---|---|---|---|---|---|---|
33060700 | 6,75 : 1 | 4 | 27 | 132,0 | 23°35 | 150 | 2900 |
33061200 | 12 : 1 | 2,5 | 48 | 132,5 | 16°36 | 243 | 3200 |
33062000 | 20 : 1 | 3 | 40 | 130,5 | 8°58 | 296 | 3033 |
33063000 | 30 : 1 | 4 | 30 | 132,5 | 5°44 | 348 | 2900 |
33065000 | 50 : 1 | 2,5 | 50 | 132,5 | 4°06 | 248 | 3200 |
33068000 | 80 : 1 | 1,5 | 80 | 124,5 | 2°09 | 213 | 2900 |