Šnekové kolesá z bronzu, dvojzávitové, pravé, Modul 0,75


Material: G-CuSn12, with milled out, hollow teeth.
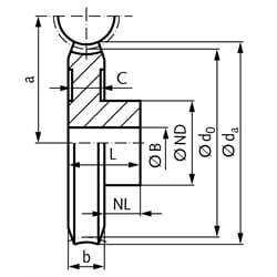
With one-sided hub. Double-thread worm gears to be paired with double-thread worms. If the module (and number of threads) are matching, various ratios at various axle distances can be realized.
Pressure angle 20°.
Efficiency: approx. 0,73. Not self-locking.
SKU | No. of Teeth | Transmission | d0 [mm] | da [mm] | ND [mm] | NL [mm] | b [mm] | L [mm] | C * [mm] | a [mm] | BH7 [mm] | Admissible MD [Nm] | Weight [g] |
---|---|---|---|---|---|---|---|---|---|---|---|---|---|
30050700 | 20 | 10 : 1 | 15 | 16,7 | 10 | 6 | 3 | 9 | - | 11,75 | 4 | 0,14 | 8 |
30051000 | 25 | 12,5 : 1 | 18,75 | 20,4 | 12 | 6 | 3 | 9 | - | 13,62 | 4 | 0,25 | 13 |
30052000 | 50 | 25 : 1 | 37,5 | 39,2 | 12 | 6 | 3 | 9 | - | 23 | 4 | 2,00 | 35 |
30053000 | 75 | 37,5 : 1 | 56,25 | 57,9 | 15 | 6 | 3 | 9 | - | 32,37 | 4 | 4,10 | 73 |