Šnekové kolesá z bronzu, dvojzávitové, pravé, Modul 1,5


Material: G-CuSn12, with milled out, hollow teeth.
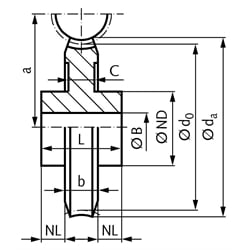
With double-sided hub. Double-thread worm gears to be paired with double-thread worms. If the module (and number of threads) are matching, various ratios at various axle distances can be realized.
Pressure angle 20°.
Efficiency: approx. 65. Not self-locking.
* Depending on the blanks, worm gears are supplied with or without dimension C!
SKU | No. of Teeth | Transmission | d0 [mm] | da [mm] | ND [mm] | NL [mm] | b [mm] | L [mm] | C * [mm] | a [mm] | BH7 [mm] | Admissible MD [Nm] | Weight [g] |
---|---|---|---|---|---|---|---|---|---|---|---|---|---|
30120500 | 16 | 8 : 1 | 24 | 28,4 | 18 | 6/6 | 12 | 24 | - | 24,5 | 8 | 0,60 | 60 |
30120600 | 18 | 9 : 1 | 27 | 31,7 | 20 | 8/8 | 12 | 28 | - | 26 | 8 | 0,70 | 80 |
30120700 | 20 | 10 : 1 | 30 | 34,7 | 25 | 8/8 | 12 | 28 | - | 27,5 | 10 | 1,10 | 130 |
30121300 | 30 | 15 : 1 | 45 | 49,7 | 30 | 8/8 | 12 | 28 | - | 35 | 10 | 2,80 | 260 |
30121800 | 40 | 20 : 1 | 60 | 64,7 | 30 | 10/10 | 12 | 32 | - | 42,5 | 10 | 6,90 | 400 |
30122000 | 50 | 25 : 1 | 75 | 79,7 | 30 | 10/10 | 12 | 32 | 10 | 50 | 10 | 12,10 | 440 |
30123200 | 100 | 50 : 1 | 150 | 154,7 | 45 | 10/10 | 12 | 32 | 10 | 87,5 | 12 | 49,00 | 1300 |