Šnekové kolesá z liatiny, dvojzávitové, pravé, Modul 4


Material: GG25, with milled out, hollow teeth.
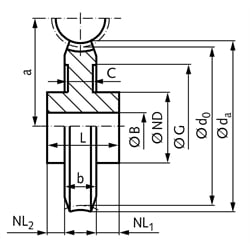
With double-sided hub. Double-thread worm gears to be paired with double-thread worms. If the module (and number of threads) are matching, various ratios at various axle distances can be realized.
Pressure angle 20°.
Efficiency: approx. 0,67. Not self-locking.
* Depending on the blanks, worm gears are supplied with or without dimension C!
SKU | No. of Teeth | Transmission | d0 [mm] | da [mm] | ND [mm] | NL1/NL2 [mm] | b [mm] | L [mm] | G [mm] | C * [mm] | a [mm] | BH7 [mm] | Admissible MD [Nm] | Weight [kg] |
---|---|---|---|---|---|---|---|---|---|---|---|---|---|---|
31050500 | 16 | 8 : 1 | 64 | 76 | 50 | 21/5 | 34 | 60 | - | - | 57 | 20 | 13 | 1,00 |
31050700 | 20 | 10 : 1 | 80 | 92 | 50 | 21/5 | 34 | 60 | - | - | 65 | 20 | 21 | 1,60 |
31051100 | 26 | 13 : 1 | 104 | 116 | 55 | 21/5 | 34 | 60 | 80 | 14 | 77 | 22 | 48 | 2,10 |