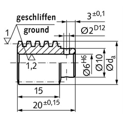
Šneky - Osová vzdialenosť v puzdre 17 mm + 0,05


Material: Steel 11SMn30 (1.0715), inspected for fissures, case hardened HV 620-700, ground. Pressure angle 15°. The worms can only be used with gear wheels having the same centre distance and the same transmission. Can be built into gear systems, no reworking required, thus short assembly times. The figures stated for the efficiency are only reference values, since - besides the lead angle - also mounting, lubrication, speed and assembly have an influence on the efficiency.
SKU | Transmission [i] | Module | No. of Gears | Slope Angle [°] | da [mm] | Level of Efficiency [%] | Weight [g] |
---|---|---|---|---|---|---|---|
32010200 | 2,25 : 1 * | 0,9 | 8 | 48°15 | 11,95 | 0,80 | 7 |
32010400 | 4,5 : 1 | 0,75 | 6 | 21°50 | 13,60 | 0,75 | 11 |
32010500 | 5 : 1 | 0,7 | 6 | 21°37 | 12,80 | 0,74 | 12 |
32010700 | 7 : 1 | 1 | 3 | 14°04 | 14,34 | 0,68 | 12 |
32010900 | 9 : 1 | 0,75 | 3 | 9°40 | 14,90 | 0,61 | 14 |
32011000 | 10 : 1 | 0,75 | 3 | 11°48 | 12,50 | 0,64 | 9 |
32011500 | 15 : 1 | 0,75 | 2 | 7°38 | 12,80 | 0,54 | 10 |
32012500 | 25 : 1 | 0,9 | 1 | 4°32 | 13,20 | 0,42 | 10 |
32013000 | 30 : 1 | 0,75 | 1 | 3°45 | 12,95 | 0,37 | 10 |
32014000 | 40 : 1 | 0,5 | 1 | 2°03 | 14,98 | 0,26 | 16 |
32015000 | 50 : 1 ** | 0,5 | 1 | 3°12 | 9,95 | 0,33 | 5 |
32016000 | 60 : 1 | 0,4 | 1 | 2°18 | 10,75 | 0,26 | 8 |
32017500 | 75 : 1 | 0,3 | 1 | 1°28 | 12,34 | 0,19 | 10 |
32018000 | 80 : 1 | 0,3 | 1 | 1°43 | 10,60 | 0,21 | 10 |