Dvojité ozubené kolesá ZRET pre dve jednoradové valčekové reťaze 12 B-1


Material: Steel C45, not hardened. Teeth milled.
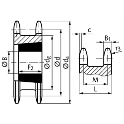
Double-Sprockets for transmitting the power from a driving chain to a parallel running driven chain, e.g. at roller conveyors. Version for taper bushes, for easy and fast mounting. The taper bush has to be ordered separately.
In this youtube video we show the mounting and demounting of taper bushes: Video clip (3.5 Minutes)
SKU | Zähnezahl | da [mm] | d [mm] | Bmax. [mm] | F2 [mm] | L [mm] | M [mm] | Gewicht [kg] | Spannbuchsentyp |
---|---|---|---|---|---|---|---|---|---|
12777413 | 13 | 87,5 | 79,59 | 32 | 25,4 | 45 | 33,9 | 0,94 | 1210 |
12777414 | 14 | 93,6 | 85,61 | 32 | 25,4 | 45 | 33,9 | 1,16 | 1210 |
12777415 | 15 | 99,8 | 91,63 | 42 | 25,4 | 45 | 33,9 | 1,18 | 1610 |
12777416 | 16 | 105,5 | 97,65 | 42 | 25,5 | 45 | 33,9 | 1,49 | 1610 |
12777417 | 17 | 111,5 | 103,67 | 42 | 25,4 | 45 | 33,9 | 1,73 | 1610 |
12777418 | 18 | 118,0 | 109,71 | 50 | 31,8 | 45 | 33,9 | 1,62 | 2012 |
12777419 | 19 | 124,2 | 115,75 | 50 | 31,8 | 45 | 33,9 | 1,95 | 2012 |
12777420 | 20 | 129,7 | 121,78 | 65 | 44,5 | 45 | 33,9 | 1,70 | 2517 |
12777421 | 21 | 136,0 | 127,82 | 65 | 44,5 | 45 | 33,9 | 2,05 | 2517 |
12777423 | 23 | 149,0 | 139,90 | 65 | 44,5 | 45 | 33,9 | 2,85 | 2517 |
12777425 | 25 | 160,0 | 152,00 | 65 | 44,5 | 45 | 33,9 | 3,75 | 2517 |