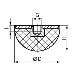
Gumovo-kovové tlmiče KPR, typ I


Material: Metal parts: Steel, zinc-plated. Elastomer: Natural rubber black, hardness 55º +/-5º Shore A.
Simple, reasonably priced standard components used for elastic mounting.
The grade of rubber used has perfect physical properties.
The shape of a hemisphere results in a very progressive force-stroke characteristic.
Type I: with internal thread.